+7 (495) 781-55-11
Оборудование для производства мебели Все товары 733 Акции Б/У
info@stanki.kz

Токарные обрабатывающие центры SKMC SL2000(S)Y

Поделиться
Цена по запросу
Токарные станки
Другие модели:
Модели
SL1500Y SL1500SY SL2000Y SL2000SY

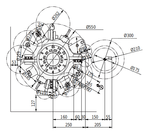
Ø обработки: 300 мм

РМЦ: 510 мм

Мощность: 11 / 15 кВт

Вес: 3850 - 4200 кг

Преимущества
  • Цельнолитая наклонная станина 30˚
  • Точные и скоростные направляющие качения с прецизионного класса точности
  • Привод шпинделя через ремень с крутящим моментом до 169 Нм
  • Увеличенная мощность приводов подач по осям X – 1,8 кВт и Z – 2,5 кВт
  • Максимальные обороты противошпинделя – 6 000 об/мин (конус А2-4)
О товаре
Характеристики
Артикул(ы):
Макс. диаметр вращения, мм 600
Макс. диаметр точения, мм 300
Макс. длина точения, мм 510
Макс. диаметр прутка, мм 51
Тип направляющих Качения
Все характеристики
Макс. диаметр вращения, мм
600
600
600
600
Макс. диаметр точения, мм
300
300
300
300
Макс. длина точения, мм
510
510
510
510
Макс. диаметр прутка, мм
51
51
65
65
Тип направляющих
Качения
Качения
Качения
Качения
Угол наклона станины, °
30
30
30
30
По оси X, мм
205
205
205
205
По оси Y, мм
105 (±52,5)
105 (±52,5)
105 (±52,5)
105 (±52,5)
По оси Z, мм
560
560
560
560
По оси B, °
-
560
-
560
Конус
А2-5
А2-5
А2-6
А2-6
Обороты шпинделя, об/мин
6000
6000
4500
4500
Диаметр отверстия шпинделя, мм
61
61
76
76
Размер патрона, дюйм
6
6
8
8
Макс. крутящий момент шпинделя, Нм
127
127
169
169
Противошпиндель
нет
есть
нет
есть
Конус противошпинделя
-
A2-4
-
A2-4
Обороты противошпинделя, об/мин
-
6000
-
6000
Размер патрона, дюйм
-
5
-
5
Диаметр отверстия противошпинделя, мм
-
43
-
43
Макс. крутящий момент противошпинделя, Нм
-
46
-
46
Двигатель привода главного шпинделя, кВт
11 / 15
11 / 15
11 / 15
11 / 15
Система ЧПУ
Fanuc
Fanuc
Fanuc
Fanuc
Приводной инструмент
да
да
да
да
Ось Y
есть
есть
есть
есть
Перемещение задней бабки, мм
580
-
580
-
Конус пиноли задней бабки
MT4
-
MT4
-
Диаметр пиноли задней бабки, мм
120
-
120
-
Тип револьверной головки
12 позиций
12 позиций
12 позиций
12 позиций
Размер державки инструмента, мм
20 х 20
20 х 20
20 х 20
20 х 20
Макс. диаметр расточного инструмента, мм
32
32
32
32
Обороты приводного инструмента, об/мин
6000
6000
6000
6000
Мощность приводного инструмента, кВт
3,7
3,7
3,7
3,7
Тип крепления инструментальных блоков
BMT45P
BMT45P
BMT45P
BMT45P
Длина, мм
2880
2880
2880
2880
Ширина, мм
1711
1711
1711
1711
Высота, мм
1921
1921
1921
1921
Вес, кг
3850
4150
3900
4200
Карта запусков станков
Запущено станков:
Узнайте, где работают станки рядом с вами
    Сервис и технологии
    • Запуск станков
      Запуск станков

      Оборудование наших брендов и других производителей

      Подробнее
    • Обучение персонала
      Обучение персонала

      Готовим операторов станков: теория, демо-стенды, практика на реальных станках с изготовлением детали

      Подробнее
    • Ремонт оборудования
      Ремонт оборудования

      Диагностика, телесервис и восстановление работоспособности в короткие сроки

      Подробнее
    • Подбор, поставка запчастей и масел
      Подбор, поставка запчастей и масел

      Поставляем оригинальные комплектующие и подбираем масла под задачу

      Подробнее
    • Разработка технологии
      Разработка технологии

      Проектируем техпроцесс под конкретное изделие и производство

      Подробнее
    • Подбор финансовых программ
      Подбор финансовых программ

      Льготный лизинг, отсрочка и рассрочка — оптимальные условия от 10+ банков

      Подробнее
    Отзывы о Токарные обрабатывающие центры SKMC SL2000(S)Y
    Будьте первыми, кто оставит свой отзыв о нашем товаре!
    Сравнение товаров
    Сравнение