8-800-070-0011
Металлообрабатывающее оборудование Все товары 424 Акции Технология
Оборудование для производства мебели Все товары 762 Акции Б/У
info@stanki.kz

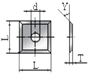
Твердосплавные ножи с 4-мя режущими кромками TIGRA длина, мм 12

Код(ы) товара: ИН 044498
Поделиться
192 ₽ 3 $ 18 ¥ 1 281 ₸
  • ДатаОжидаемогоПоступления
    0001-01-01T00:00:00
  • Угол, град
    35
  • Сплав Дерево
    TL15
  • Длина, мм
    12
  • Ширина, мм
    12
  • Толщина, мм
    1,5
О товаре

НАЗНАЧЕНИЕ:

Стандартные твердосплавные ножи с 4-мя режущими кромками. Твердосплавные ножи предназначены для обработки древесины твердых и мягких пород вдоль и поперек волокон.


ОБЛАСТЬ ПРИМЕНЕНИЯ:

Ножи являются сменной режущей частью фрез, применяемых на 4-х сторонних и фрезерных станках.

СХЕМА ОБРАБОТКИ:


КОНСТРУКТИВНЫЕ ОСОБЕННОСТИ:

Ножи из твёрдого сплава - твёрдые и износостойкие металлические материалы, способные сохранять эти свойства при
900 - 1150 °C. В основном изготовляются из высокотвёрдых и тугоплавких материалов на основе карбидов вольфрама, титана, тантала, хрома, связанные кобальтовой металлической связкой, при различном содержании кобальта или никеля.

Сервис и технологии
  • Запуск станков
    Запуск станков

    Оборудование наших брендов и других производителей

    Подробнее
  • Обучение персонала
    Обучение персонала

    Готовим операторов станков: теория, демо-стенды, практика на реальных станках с изготовлением детали

    Подробнее
  • Ремонт оборудования
    Ремонт оборудования

    Диагностика, телесервис и восстановление работоспособности в короткие сроки

    Подробнее
  • Подбор, поставка запчастей и масел
    Подбор, поставка запчастей и масел

    Поставляем оригинальные комплектующие и подбираем масла под задачу

    Подробнее
  • Разработка технологии
    Разработка технологии

    Проектируем техпроцесс под конкретное изделие и производство

    Подробнее
  • Подбор финансовых программ
    Подбор финансовых программ

    Льготный лизинг, отсрочка и рассрочка — оптимальные условия от 10+ банков

    Подробнее
Отзывы о Твердосплавные ножи с 4-мя режущими кромками TIGRA
Будьте первыми, кто оставит свой отзыв о нашем товаре!
Сравнение товаров
Сравнение