8-800-070-0011
Металлообрабатывающее оборудование Все товары 425 Акции Технология
Оборудование для производства мебели Все товары 764 Акции Б/У
info@stanki.kz

Токарные обрабатывающие центры SKMC DL6000(L), DL7000(L), DL8000(L)

Поделиться
Цена по запросу
Обучим работать на станке
Другие модели:
DL6000(L) DL7000(L) DL8000(L)

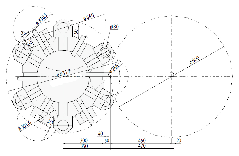
Ø обработки: 900 мм

РМЦ: 1600 (3200) мм

Мощность: 37 / 55 кВт

Вес: 16 300 (21 800) кг

Преимущества
  • Цельнолитая наклонная станина 45°
  • Жесткие закаленные и шлифованные направляющие скольжения
  • Мощный привод шпинделя через редуктор с крутящим моментом до 8076 Нм
  • Увеличенная мощность приводов подач по осям X – 7 кВт и Z - 9 кВт
  • Специальные держатели расточного инструмента
О товаре
Макс. диаметр вращения, мм
1030 (1000)
1030 (1000)
1030 (1000)
Макс. диаметр точения, мм
900
900
900
Макс. длина точения, мм
1600 (3200)
1600 (3200)
1600 (3200)
Макс. диаметр прутка, мм
117
164
-
По оси X, мм
470
470
470
По оси Z, мм
1650 (3235)
1650 (3235)
1650 (3235)
Конус
A2-15
A1-15
A2-20
Частота вращения шпинделя, об/мин
1800
1500
750
Диаметр отверстия шпинделя, мм
152
181
320
Размер патрона, дюйм
21
24
32
Ускоренная подача по оси X, м/мин
12
12
12
Ускоренная подача по оси Z, м/мин
16 (10)
16 (10)
16 (10)
Размер державки инструмента, мм
32 x 32
32 x 32
32 x 32
Размер державки расточного резца, мм
80
80
80
Точность позиционирования, мм
±0,005 / ±0,006
±0,005 / ±0,006
±0,005 / ±0,006
Повторяемость, мм
±0,002 / ±0,003
±0,002 / ±0,003
±0,002 / ±0,003
Перемещение задней бабки, мм
1600 (3200)
1600 (3200)
1600 (3200)
Конус пиноли задней бабки
МТ6
МТ6
МТ6
Ход пиноли задней бабки, мм
150
150
150
Диаметр пиноли задней бабки, мм
160
160
160
Двигатель привода главного шпинделя, кВт
37 / 55
37 / 55
37 / 55
Двигатель привода оси Х, кВт
7
7
7
Двигатель привода оси Z, кВт
9
9
9
Крутящий момент главного шпинделя, Нм
6622
8076
8076
Двигатель приводного инструмента, кВт
нет
нет
нет
Крутящий момент приводного инструмента, Нм
нет
нет
нет
Количество инструментов, шт.
12
12
12
Угол наклона станины, град.
45
45
45
Тип направляющих
Скольжения
Скольжения
Скольжения
Приводной инструмент
нет
нет
нет
Ось Y
нет
нет
нет
Длина, мм
2780 (2590)
2780 (2590)
2780 (2590)
Ширина, мм
5760 (7360)
5760 (7360)
5760 (7360)
Высота, мм
3145 (2770)
3145 (2770)
3145 (2770)
Вес, кг
16 300 (21 800)
16 300 (21 800)
16 300 (21 800)
Карта запусков станков
Количество объектов на карте:
Узнайте, где работают станки рядом с вами
    Сервис и технологии
    • Запуск станков
      Запуск станков

      Оборудование наших брендов и других производителей

      Подробнее
    • Обучение персонала
      Обучение персонала

      Готовим операторов станков: теория, демо-стенды, практика на реальных станках с изготовлением детали

      Подробнее
    • Ремонт оборудования
      Ремонт оборудования

      Диагностика, телесервис и восстановление работоспособности в короткие сроки

      Подробнее
    • Подбор, поставка запчастей и масел
      Подбор, поставка запчастей и масел

      Поставляем оригинальные комплектующие и подбираем масла под задачу

      Подробнее
    • Разработка технологии
      Разработка технологии

      Проектируем техпроцесс под конкретное изделие и производство

      Подробнее
    • Подбор финансовых программ
      Подбор финансовых программ

      Льготный лизинг, отсрочка и рассрочка — оптимальные условия от 10+ банков

      Подробнее
    Отзывы о Токарные обрабатывающие центры SKMC DL6000(L), DL7000(L), DL8000(L)
    Будьте первыми, кто оставит свой отзыв о нашем товаре!
    Сравнение товаров
    Сравнение