Оборудование для производства мебели Все товары 740 Акции Б/У
info@stanki.kz

Автоматический лесопильный комплекс StojCAD D9 LH6 Standart

Поделиться
1/3
Цена по запросу

Макс. Ø бревна: 800 мм

Производительность: до 7,5 м³/час

Макс. размер бруса: 350 х 180 мм

О товаре
Характеристики
Артикул(ы):
Макс. диаметр бревна, мм 160 - 800
Мин. длина бревна, мм 2000 - 6200
Максимальное сечение выпиливаемого бруса, мм 350 х 180
Максимальное сечение отпиливаемой заготовки (в стандартной комплектации), мм 205 х 180
Максимальное сечение отпиливаемой заготовки (опционально), мм 350 х 180
Все характеристики
Модель
Макс. диаметр бревна, мм
160 - 800
Мин. длина бревна, мм
2000 - 6200
Максимальное сечение выпиливаемого бруса, мм
350 х 180
Максимальное сечение отпиливаемой заготовки (в стандартной комплектации), мм
205 х 180
Максимальное сечение отпиливаемой заготовки (опционально), мм
350 х 180
Минимальное сечение отпиливаемой заготовки, мм
10 x 10
Скорость подачи, м/мин
0 - 90 (бесступенчатая регулировка)
Диаметр пил, мм
500 - 550
Мощность серводвигателя подачи пильной каретки, кВт
30
Производительность, м³/час
7,5
Мощность главных двигателей, кВт
2 х 22
Мощность сервопривода перемещения пил, кВт
5,5
Вес, кг
По запросу

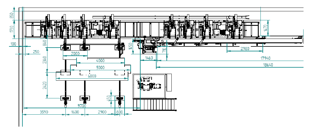
Габаритный эскиз линии D9 Standart в комплекте с цепным загрузочным конвейером:

Сервис и технологии
  • Запуск станков
    Запуск станков

    Оборудование наших брендов и других производителей

    Подробнее
  • Обучение персонала
    Обучение персонала

    Готовим операторов станков: теория, демо-стенды, практика на реальных станках с изготовлением детали

    Подробнее
  • Ремонт оборудования
    Ремонт оборудования

    Диагностика, телесервис и восстановление работоспособности в короткие сроки

    Подробнее
  • Подбор, поставка запчастей и масел
    Подбор, поставка запчастей и масел

    Поставляем оригинальные комплектующие и подбираем масла под задачу

    Подробнее
  • Разработка технологии
    Разработка технологии

    Проектируем техпроцесс под конкретное изделие и производство

    Подробнее
  • Подбор финансовых программ
    Подбор финансовых программ

    Льготный лизинг, отсрочка и рассрочка — оптимальные условия от 10+ банков

    Подробнее
Отзывы о Автоматический лесопильный комплекс StojCAD D9 LH6 Standart
Будьте первыми, кто оставит свой отзыв о нашем товаре!
Сравнение товаров
Сравнение