8-800-070-0011
Металлообрабатывающее оборудование Все товары 423 Акции Технология
Оборудование для производства мебели Все товары 789 Акции Б/У
info@stanki.kz

Автомат продольного точения SOWIN SZ-206EN

Поделиться
Цена по запросу
Другие модели:
<< /span> SZ-205E2
  • Макс. диаметр обработки главного шпинделя
    20 мм
  • Число осей управления
    8 шт.
  • Частота вращения шпинделя
    10 000 об/мин
  • Вес
    2700 кг
Преимущества
  • Высокоскоростные шпиндели с прямым приводом и масляным охлаждением.
  • Работа с калиброванным прутком (не хуже h8)
  • Высокое качество обработанной поверхности (Ra до 0,63 - 0,8 мкм)
  • Полноценная Y-ось
  • Обработка детали с 2-х сторон
О товаре
Модель
SZ-206EN
Система ЧПУ
Fanuc
Макс. диаметр обработки главного шпинделя, мм
20
Макс. диаметр обработки противошпинделя, мм
20
Макс. длина обработки, мм
240
Макс. диаметр сверления главного шпинделя, мм
10
Макс. диаметр сверления противошпинделя, мм
10
Макс. диаметр нарезаемой резьбы главного шпинделя
M8
Макс. диаметр радиального сверления, мм
8
Кол-во позиций инструмента для наружной обработки, шт.
6
Макс. диаметр радиального нарезания резьбы, мм
M6
Кол-во позиций инструмента для внутренней обработки, шт.
4
Кол-во инструментальных позиций для радиальной обработки, шт.
4
Кол-во инструментов для обработки в противошпинделе, шт.
8
Общее кол-во инструментальных позиций, шт.
28
Размер инструмента, мм
12 x 12
Число осей управления, шт.
8
Частота вращения шпинделя, об/мин
10 000
Ускоренное перемещение по оси X, м/мин
24
Мощность двигателя главного шпинделя, кВт
3,7
Мощность двигателя противошпинделя, кВт
1,5 / 2,2
Наличие противошпинделя
да
Длина, мм
2180
Ширина, мм
1280
Высота, мм
1775
Вес, кг
2700
Комплектация
Стандартная
Система ЧПУ Fanuc 0i-TF Plus 10,4" цветной TFT LCD дисплей
6-позиционный инструментальный суппорт для наружной обработки
4-позиционный приводной инструментальный суппорт 4xER16 для радиальной обработки
4+4-позиционный инструментальный суппорт ER16 для осевой обработки
4-позиционный инструментальный суппорт для осевой обработки в контршпинделе (2 приводных + 2 статических ER16) (для SZ-205E2)
8-позиционный инструментальный суппорт для осевой обработки в контршпинделе (4 приводных + 4 статических ER16) (для SZ-206EN)
Уловитель готовых деталей
Люнетная система с вращающейся направляющей втулкой + без направляющей втулки
Подсветка рабочей зоны LED
Трёхцветная сигнальная лампа
Управляемые оси «С1» и «С2»
Система автоматической централизованной смазки узлов станка
Обдув воздухом люнетного узла
Теплообменник электрошкафа
Трансформатор
Комплект инструмента для обслуживания станка
Комплект документации на русском языке
Конвейер для уборки стружки с корзиной
Контроль отрезки детали
Уловитель и конвейер готовых деталей
Автоматическое гидравлическое устройство подачи прутка RAY-326 L=3 м
Комплект цанг автоподатчик, шпиндель, контршпиндель, люнет: 3, 4, 5, 6, 8, 10, 12, 14, 16, 18 мм
Дополнительная
Устройство задней выгрузки длинных деталей для противошпинделя
Функция обработки с переменной частотой
Уловитель паров СОЖ - электростатический
Помпа подачи СОЖ 70 бар
Уловитель и конвейер готовых деталей (входит в стандартную комплектацию станка)
Контроль отрезки детали (входит в стандартную комплектацию станка)
Система пожаротушения
Конвейер для стружки с корзиной (входит в стандартную комплектацию станка)
Податчик прутка RAY-326 (3 - 20 мм) - 3 м (входит в стандартную комплектацию станка)
Цанги в главный шпиндель Ø3 - 20мм (1 шт.)
Цанги люнетные Ø3 - 20 мм (1 шт.)
Цанги контршпиндель Ø3 - 20 мм (1 шт.)
Цанги в автоподатчик Ø3 - 18 мм (1 шт.)
Набор цанг ER11-13 (1; 1,5; 2; 2,5; 3; 3,5; 4; 4,5; 5; 5,5; 6; 6,5; 7)
Набор цанг ER16-10 (1, 2, 3, 4, 5, 6, 7, 8, 9, 10)
Конструктивные особенности
  • Дисплей 10,4` TFT LCD;
  • Двухканальная работа станка, обработка двух деталей одновременно;
  • Все двигатели и привода Fanuc (Япония) - отличное быстродействие, легендарная надёжность, высокая точность и стабильность обработки;
  • Скорость быстрых перемещений 30 м/мин.
  • Главный шпиндель - 3,7 кВт (10 000 об/мин);
  • Противошпиндель - 2,2 кВт (12 000 об/мин).

Изготавливаются профильной компанией HaoZhi по заказу и на основании технической документации SOWIN.

Конструкция шпинделя усилена дополнительными подшипниками от NSK премиального класса.

Оба шпинделя имеют прямой привод и масляное охлаждение - что обеспечивает быстроту реакции на ускорение и замедление, превосходную производительность и точность, а так же гарантированно продлевает срок службы шпиндельного узла, исключая полностью его перегрев.

Собственной разработки и изготовленные компанией OERC, обладают низким уровнем шума, высокой жесткостью и точностью.

Блоки усилены дополнительными подшипниками на входном и выходном валу, что обеспечивает дополнительный запас прочности при высоких нагрузках и долгий срок службы.

Используется для уменьшения остатка прутка. Применим при обработке коротких заготовок при длине заготовки меньше или равной диаметру прутка. Минимальный остаток прутка - 30 мм.
Цанговый патрон и втулка вращаются одновременно. Минимальный остаток прутка - 140 мм.

На основе метода конечных элементов и модельного анализа, с учётом многочисленных оптимизаций, была разработана конструкция станины с отличными показателями жесткости и виброустойчивости, а так же увеличенной массой.

Специальная конструкции станины и дополнительное оребрение способствуют эффективному тепловому балансу.

Применение ручного шабрения самых ответственных сопрягаемых поверхностей ключевых узлов станка увеличивает коэффициент контакта, снижает вибрацию и предотвращает деформации узлов во время работы станка, что гарантировано обеспечивает геометрическую точность, точность перемещений и точность позиционирования на протяжении всего срока службы оборудования.

Назначение

Автоматы продольного точения SOWIN серии SZ являются высокотехнологичным оборудованием с уникальными возможностями в части обработки детали типа игл (L/D > 10) с высокой точностью и качеством получаемой поверхности при большой производительности, при этом отличается быстрой переналадкой на выпуск новой продукции, что позволяет его использовать в условиях как крупно- так и мелкосерийных производств.


Такие станки являются оптимальным выбором, когда планируется обработка деталей исключительно из прутка.

Область применения

Автоматы продольного точения SOWIN SZ подойдут для производства крупносерийных партий деталей в следующих отраслях:

  • транспортном машиностроении;
  • аэрокосмической отрасли;
  • медицине.
Для точной индустрии, электронной и аэрокосмической промышленности:

Детали для медицинской техники и инструмента:

Схемы обработки
Комплектующие
  • Подшипники ШВП NACHI / NSK (Япония)
  • Линейные направляющие PMI / HIWIN (Тайвань)
  • ШВП PMI / HIWIN (Тайвань)
  • Привода по осям Fanuc (Япония)
  • Шпиндель / контршпиндель HaoZhi (Китай)
  • Подшипники шпинделя / контршпинделя NACHI / NSK (Япония)
  • Пневматическая система SMC (Япония)
  • Двигатель шпинделя Fanuc (Япония)
  • Система автоматической смазки YONGJIA (Китай)
  • Станина BAOGANG (Китай)
  • Электрические компоненты Schneider (Франция)
  • Инструментальные суппорта и приводные блоки OERC (Китай)
  • Люнетный узел и патроны POSA (Китай)


Габаритные размеры



Инструментальная схема SZ-205EN2



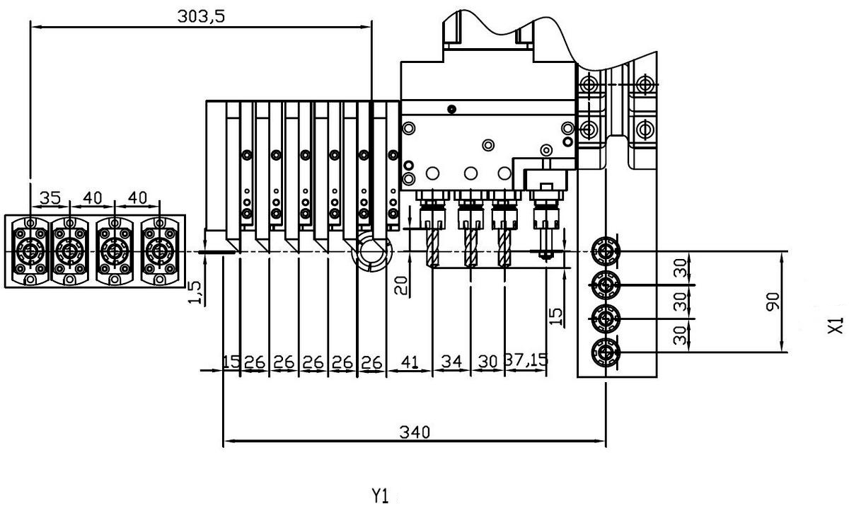
Инструментальная схема SZ-206EN


Карта запусков станков
Количество объектов на карте:
Узнайте, где работают станки рядом с вами
    Сервис и технологии
    • Запуск станков
      Запуск станков

      Оборудование наших брендов и других производителей

      Подробнее
    • Обучение персонала
      Обучение персонала

      Готовим операторов станков: теория, демо-стенды, практика на реальных станках с изготовлением детали

      Подробнее
    • Ремонт оборудования
      Ремонт оборудования

      Диагностика, телесервис и восстановление работоспособности в короткие сроки

      Подробнее
    • Подбор, поставка запчастей и масел
      Подбор, поставка запчастей и масел

      Поставляем оригинальные комплектующие и подбираем масла под задачу

      Подробнее
    • Разработка технологии
      Разработка технологии

      Проектируем техпроцесс под конкретное изделие и производство

      Подробнее
    • Подбор финансовых программ
      Подбор финансовых программ

      Льготный лизинг, отсрочка и рассрочка — оптимальные условия от 10+ банков

      Подробнее
    Отзывы о Автоматы продольного точения SOWIN SZ-205E2 и SZ-206EN
    Будьте первыми, кто оставит свой отзыв о нашем товаре!
    Сравнение товаров
    Сравнение