Токарный станок с наклонной станиной KMT KTH 60/1000 MY
-
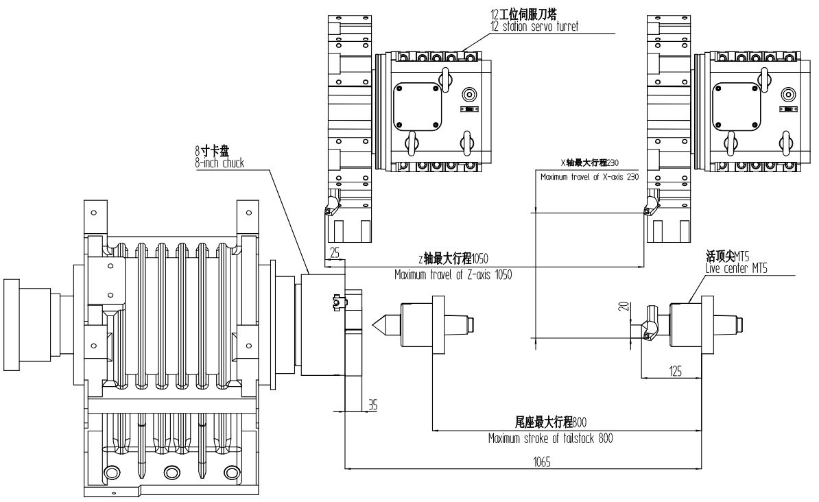
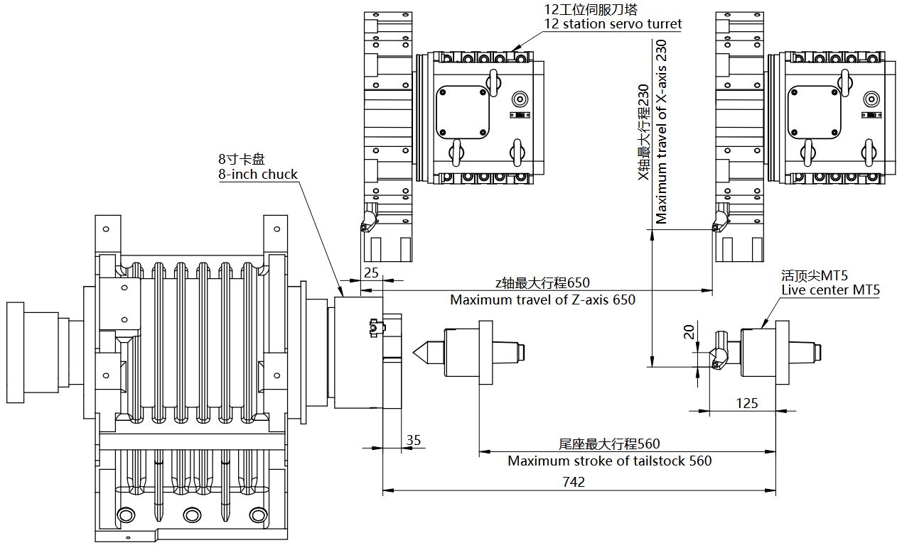
Макс. диаметр точения400 мм
-
Двигатель привода главного шпинделя11 / 15 кВт
-
Макс. длина точения950 мм
-
Приводной инструментда
-
Ось Yда
На данной серии станков используется цельная станина с углом наклона 30°, изготовленная из модифицированного чугуна – механита с внутренними ребрами жесткости.
Такая конструкция станины обеспечивает лучшую устойчивость, жесткость, гашение вибраций. Так же наклонная станина занимает меньшую площадь, что позволяет легко удалять стружку и эксплуатировать станок.
В стандартной конфигурации станок оснащен револьверной головкой на 12-ть позиций инструмента, обладающей повешенной жесткостью, надежным захватом, высокой скоростью индексации и высокой повторяемостью позиционирования.
На фото представлены: Револьверная головка без приводного инструмента и с приводным
Токарные станки с наклонной станиной KMT KTН с высокой скоростью, точностью предназначен для получистовой и чистовой обработки различного вида деталей типа вал, диск, втулка. Станок позволяет выполнять основные операции механической обработки: точение наружных поверхностей, расточки отверстий, внутренних криволинейных поверхностей конической формы, обработка наружной и внутренней резьбы, дуг, разворачивания отверстий. Подходит для скоростной обработки черных и цветных металлов.
Высокоточные токарные обрабатывающие центры серии KТH применяются во всех отраслях машиностроительной индустрии, а также в авиационно-космической промышленности, приборостроении.
-
Запуск станковПодробнее
Оборудование наших брендов и других производителей
-
Обучение персоналаПодробнее
Готовим операторов станков: теория, демо-стенды, практика на реальных станках с изготовлением детали
-
Ремонт оборудованияПодробнее
Диагностика, телесервис и восстановление работоспособности в короткие сроки
-
Подбор, поставка запчастей и маселПодробнее
Поставляем оригинальные комплектующие и подбираем масла под задачу
-
Разработка технологииПодробнее
Проектируем техпроцесс под конкретное изделие и производство
-
Подбор финансовых программПодробнее
Льготный лизинг, отсрочка и рассрочка — оптимальные условия от 10+ банков












