8-800-070-0011
Металлообрабатывающее оборудование Все товары 421 Акции Технология
Оборудование для производства мебели Все товары 791 Акции Б/У
info@stanki.kz

Фрезерный обрабатывающий центр KMT KVL1000A (VMC1000P) 3-оси

Код товара: МТ 492486
Поделиться
В пути на склад
5 538 713 ₽ 71 169 $ 495 896 ¥ 36 269 960 ₸
Подберем удобную программу
Доставка:
Ошибка!
...
!
Гарантия: 12 месяцев
Другие модели:
<< /span> KVL1000A (VMC1000P) 4-оси
  • Мощность двигателя шпинделя
    11 / 15 кВт
  • Размер стола
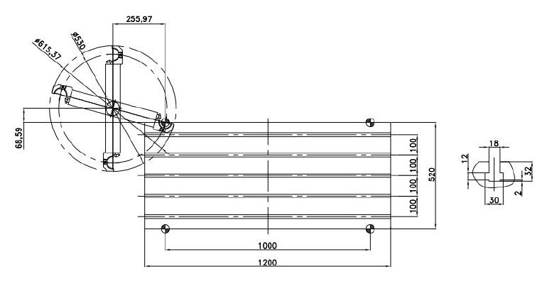
    1200 x 520 мм
  • Тип направляющих X / Y / Z
    Качения
  • Вес
    6500 кг
Преимущества
  • Ременной привод
  • Масляное охлаждение шпинделя
О товаре
Модель
KVL1000A (VMC1000P) 3-оси
МТ 492486
ЦЕНА
5 538 713 ₽ 71 169 $ 495 896 ¥ 36 269 960 ₸
Установка 4-ой оси
есть
Конус шпинделя
ВТ40
Частота вращения шпинделя, об/мин
10 000
Расстояние от центра шпинделя до колонны, мм
582
Расстояние от торца шпинделя до поверхности рабочего стола, мм
80 - 615
Мощность двигателя шпинделя, кВт
11 / 15
Крутящий момент, Нм
70 / 95,5
Тип привода шпинделя
Ремень
Мощность серво-двигателей по осям X / Y / Z, кВт
1,8 / 1,8 / 2,5
Мощность помпы СОЖ, кВт
0,5
Внутренний диаметр шпинделя, мм
70
Внешний диаметр шпинделя, мм
150
Система ЧПУ
Fanuc
Модель
Fanuc 0i-MF(5) Plus
Размер стола, мм
1200 x 520
T-образные пазы, мм
5 x 18 x 100
Макс. нагрузка на стол, кг
600
Перемещение по оси X, мм
1000
Перемещение по оси Y, мм
520
Перемещение по оси Z, мм
535
Тип направляющих X / Y / Z
Качения
Быстрые перемещения X / Y / Z, м/мин
48 / 48 / 32
Скорость подачи X / Y / Z, мм/мин
10 000
Емкость магазина инструмента
24 (тип - рука)
Макс. вес инструмента, кг
8
Макс. длина инструмента, мм
300
Макс. диаметр инструмента (при полной загрузке ячеек), мм
78
Время смены инструмента, с
2,5
Точность позиционирования по осям X / Y / Z, мм
± 0,008
Повторяемость X / Y / Z, мм
± 0,005
Объем бака СОЖ, л
312
Давление воздуха, Бар
6 - 8
Диаметр ШВП, мм
40 / 40 / 40
Ширина направляющих по осям X / Y / Z, мм
35 / 45 / 45
Макс. диаметр инструмента (без инструмента в соседних позициях), мм
120
Потребление электроэнергии, кВA
20
Длина, мм
3690
Ширина, мм
2340
Высота, мм
2860
Вес, кг
6500
Комплектация
Дополнительная

Опционально станок может быть оснащен поворотным столом в комплектации с трех кулачковым патроном и задней бабкой производства GSA (Тайвань), что позволит значительно расширить технологические возможности оборудования, обрабатывать криволинейные элементы на телах вращения с применением 4-х осей.

Для модели KVL1000A (VMC1000P) 4-оси, идет в стандартной комплектации!

Система масляного охлаждения с динамическим контролем температуры предотвращает перегрев и температурную деформацию шпинделя, гарантируя точность обработки и длительный срок его службы.

Особенно важно при обработке алюминия и легких сплавов на высоких оборотах шпинделя длительное время, где нужно обеспечить максимальный отвод тепла от подшипников шпинделя.

Для модели KVL1000A (VMC1000P) 4-оси, идет в стандартной комплектации!

Конструктивные особенности

Станина отливается из чугуна марки Mehanite с утолщенными стенками. Для снятия внутренних напряжений и придания большей прочности и жесткости проходит естественное старение. Масса станка напрямую влияет на жесткость конструкции, стенки литья толще, отсутствуют вибрации при обработке, более длительный срок службы оборудования, возможно применение прогрессивных режимов резания, обработка легированных и жаропрочных сталей.

Специальная конструкция станины, с увеличенной шириной направляющих у основания колоны, в месте соединения колоны с основанием - наиболее рациональное решение в соотношении жесткость - устойчивость - стоимость компоновки станка, что позволило увеличить жесткость, повысить устойчивость системы за счет смещения центра тяжести станка вниз. Специальная форма колонны в виде "трапеции" позволила значительно снизить деформации в системе жесткости станка под действием веса перемещающихся узлов, а также снизило чувствительность станка к внешним динамическим нагрузкам - от привода, со стороны основания.

Шпиндель производства компании Spintech, Kenturn, ROYAL (Тайвань) или иной тайваньский производитель, характеризуется высокой точностью и повышенной жесткостью.

В шпиндельном блоке устанавливаются эксклюзивные подшипники класса P4 (в передней опоре - 3 подшипника, в задней опоре 2 подшипника), а сборка всего комплекта шпинделя выполняется при постоянной температуре.

Передача крутящего момента происходит за счет ременной передачи.

Для шпинделя предусмотрена бесступенчатая регулировка скорости вращения в его диапазоне скоростей. С помощью встроенного датчика положения шпиндель может выполнять свою ориентацию и функцию жесткого нарезания резьбы.

На станках серии KVL установлены оригинальные приводы подач от производителя FANUC (Япония) / HNC (Китай) обеспечивают высокую надежность, скорость и плавность перемещений.

На станке установлены линейные направляющие качения роликового типа по осям X / Y / Z производства PMI / THK / HIWIN (Тайвань) и ШВП (Тайвань), обеспечивающие высокую скорость и точность позиционирования.

Станок оснащен системой подачи СОЖ и отдельным соплом для обдува воздухом.

Кольцо на шпинделе с форсунками подачи СОЖ обеспечивает дополнительное направленное охлаждение и стабилизирует процесс резания.

Позволяет сократить время на ежедневное техническое обслуживание станка.

На станках серии KVL установлен пневматический узел, который отвечает за разжим, зажим и подготовку шпинделя к смене инструмента.

При перепаде давления имеющийся ресивер позволит безопасно произвести смену инструмента без создания аварийной ситуации.

Станок оснащен автоматической системой смены инструмента OKADA (Тайвань) на 24 позиции в зависимости от модели станка.

Устройство кулачкового типа с поворотным кронштейном обеспечивает смену инструмента за 2 - 2,5 секунды.

Перед сменой инструмента в принудительном порядке производится обдув конуса шпинделя.

Этот тип манипулятора является лучшим выбором для быстрой и надежной работы станка.

Сепаратор СОЖ предназначен для удаления масляных загрязнений из охлаждающей жидкости, что повышает эксплуатационные свойства СОЖ.

Кондиционер электрошкафа обеспечивает охлаждение компонентов электрошкафа при работе оборудования в двух-трех сменном режиме.

Компенсирует перепады температур в цехе, особенно при превышении температурных норм эксплуатации

Стандартно станок имеет подготовку под установку 4-ой оси (место в электрошкафу под привод 4-ой оси, отверстия в кожухах для проводов, система ЧПУ с поддержкой 4-й оси).

Система ЧПУ позволяет работать в режиме полной 4-ой оси (непрерывная обработка) так и в индексном режиме.

Для установки 4-ой оси потребуется приобрести поворотный стол и привод оси в электрошкаф.

Электрошкаф полностью соответствует нормам СЕ, что указывает на соответствие продукции всем необходимым требованиям законодательства Европейского Союза.

Основные компоненты установленной электроники принадлежат компаниям Schneider, Siemens или Omron.

Пистолет для обдува рабочей зоны сжатым воздухом и СОЖ облегчает удаление стружки с заготовки и уборки рабочей зоны станка.

FANUC PLUS 0i-MF (type 5)

В базовой комплектации устанавливается обновлённая система ЧПУ FANUC PLUS 0i-MF (5), LCD монитор 10,4 дюймов c manual guide 0i на русском языке.

Удобное использование, высочайшее качество изготовления, исключительная надежность системы, простота программирования.

  • Интерфейс на русском языке;
  • Система ЧПУ оборудована портом USB и сетевым портом, находящимся на передней панели для удобного использования, функция передачи данных, пульт перемещений MPG;
  • Наиболее распространённая система ЧПУ в России, что позволит с легкостью найти оператора станка для вашего производства;
  • Наличие сервисного центра в России и склада запасных частей, позволит устранить вынужденную остановку станка в минимальные сроки.
Назначение

Вертикальные многоцелевые обрабатывающие центры серии KVL 1000A (VMC1000P) предназначены для обработки деталей, требующих высокой точности (точность позиционирования 0,008 мм), имеющих сложную форму, например, пресс-формы.

Обрабатывающие центры KMT KVL 1000A (VMC1000P) предназначены для операций*:

  • фрезерование;
  • сверление;
  • зенкерование;
  • растачивание;
  • нарезание резьбы;
  • обработка двухмерных и трехмерных изогнутых поверхностей;
  • обработка наклонных поверхностей.

* Все эти операции могут быть осуществлены за одну установку, тем самым реализуя процесс программирования и сокращая производственный цикл для обеспечения значительных экономических выгод для пользователей.
Область применения

Вертикальные обрабатывающие центры KVL 1000A (VMC1000P) применяются во всех отраслях автомобильной, авиационнной промышленности, а также в приборостроении, двигателестроении, машиностроении.

Авиационная промышленность

Автомобильная промышленность

Двигателестроение

Приборостроение

Машиностроение

Рабочая зона KVL 1000A (VMC1000P)
План расположения KVL 1000A (VMC1000P)
Диаграмма крутящего момента шпинделя KVL 1000A (VMC1000P)
Карта запусков станков
Количество объектов на карте:
Узнайте, где работают станки рядом с вами
    Сервис и технологии
    • Запуск станков
      Запуск станков

      Оборудование наших брендов и других производителей

      Подробнее
    • Обучение персонала
      Обучение персонала

      Готовим операторов станков: теория, демо-стенды, практика на реальных станках с изготовлением детали

      Подробнее
    • Ремонт оборудования
      Ремонт оборудования

      Диагностика, телесервис и восстановление работоспособности в короткие сроки

      Подробнее
    • Подбор, поставка запчастей и масел
      Подбор, поставка запчастей и масел

      Поставляем оригинальные комплектующие и подбираем масла под задачу

      Подробнее
    • Разработка технологии
      Разработка технологии

      Проектируем техпроцесс под конкретное изделие и производство

      Подробнее
    • Подбор финансовых программ
      Подбор финансовых программ

      Льготный лизинг, отсрочка и рассрочка — оптимальные условия от 10+ банков

      Подробнее
    Отзывы о Фрезерные обрабатывающие центры KMT KVL 1000A (VMC1000P)
    Будьте первыми, кто оставит свой отзыв о нашем товаре!
    Сравнение товаров
    Сравнение